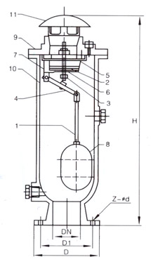
SCARX污水復合式排氣閥為圓桶式閥體,其內部主要有不銹鋼浮球及塞頭。
本閥裝設于泵浦出水口處或送配水管線中,用以大量排出管道中的集結之空氣,以增進水管及抽水機使用效率,管內一旦出現負壓時,此閥能迅速吸入空氣,以確保管線不會因負壓而被損壞,壓力等級1.0MPa。
當管內開始注水時,塞頭停留在開位置,進行大量排氣,當空氣排完時,閥體內腔積水浮球被浮起,傳動塞頭至關閉位置,停止大量排氣;當管內水正常輸送時,如有少量空氣聚集在閥內至相當程度,閥內水位下降,浮球隨之下降,此時空氣則由小孔排出。當帛水機停止,管內水流空時,或遇管內產生負壓時,此時塞頭開啟,吸入空氣確保管線安全。

| 序號 | 名稱 | 材質 |
|---|---|---|
| 1 | 械桿B | 不銹鋼、錫青銅 |
| 2 | 活塞 | 不銹鋼、錫青銅 |
| 3 | 頂塞 | 鋁青銅+橡膠 |
| 4 | 杠桿A | 不銹鋼、錫青鉛 |
| 5 | 墊圈環 | 合成橡膠 |
| 6 | 導套 | 不銹鋼、鑄黃銅 |
| 7 | 杠桿架 | 不銹鋼、鑄黃銅 |
| 8 | 浮球 | 不銹鋼 |
| 9 | 閥蓋 | 灰鑄鐵、Q4400-15 |
| 10 | 閥體 | 灰鑄鐵、Q4400-15 |
| 11 | 排氣帽 | 灰鑄鐵、Q4400-15 |
| 公稱通徑 DN(mm) | H | D | D1 | Z | Ф-d |
|---|---|---|---|---|---|
| 50 | 490 | 165 | 125 | 4 | 19 |
| 80 | 590 | 200 | 135 | 8 | 19 |
| 100 | 750 | 220 | 180 | 8 | 19 |
| 150 | 820 | 285 | 240 | 8 | 23 |
| 200 | 1000 | 340 | 295 | 8 | 23 |
| 250 | 1200 | 395 | 350 | 12 | 23 |
溫馨提示:
本文中所有文字、數據、圖片均只適用于參考。需要查看更多的SCARX污水復合式排氣閥性能參數、結構尺寸參數、價格等詳情,或要求印刷樣本,請聯系我們。
主營產品:氣動調節閥 - 電動調節閥 - 自力式調節閥
版版權所有 © 上海大田閥門管道工程有限公司
地址:上海市浦東新區川宏路528號宏圖大樓5樓
