H77型對夾式止回閥由閥體、閥瓣、閥桿及彈簧等零件組成,采用對夾連接。由于閥瓣的關閉行程短,并且有彈簧加載,可顯著減少水錘現象。該止回閥主要適用于城市、工業及高層建筑給水、排水管網上。由于其結構長度比一般止回閥短,對有安裝空間限制的場所最為適用。對夾式止回閥用于純凈管路及工業、環保、水處理、高層建筑給排水管路,阻止介質逆向流動之用。
其主要功能水錘壓力很小,閥瓣行程短、閥瓣輕巧、具有彈簧輔助關閉、關閥速度很快。結構長度很短、體積很小、重量很輕、為閥門的安裝、搬運、存放及管道的布置帶來很大的便利,并能大量節約材料、降低造價。

| 型 號 | 公稱壓力 | 試驗壓力PS(MPa) | 工作溫度 (℃) |
適用介質 | |
|---|---|---|---|---|---|
| PN(MPa) | 殼體 | 密封 | |||
| 1Jl77X LJH77H LJH77Y LJll77W |
1.0 | 1.5 | 1.1 | 軟密封: 100~225 硬密封 200~550 |
水、 油品、 氣體、 硝酸等 |
| 1.6 | 2.4 | 1.76 | |||
| 2.5 | 3.75 | 2.75 | |||
| 1.0 | 6.0 | 4.4 | |||
| 6.4 | 9.6 | 7.0 | |||
| 零件名稱 | 材 料 | ||||
|---|---|---|---|---|---|
| LJH77X-10C、 25 16、40 |
LJH77H-16C、 40 25、64 |
IJH77Y25I 40I164I |
LJH77W10C、 25 16C、40 |
LJH77W-10P、 25P 16P、40P |
|
| 閥體、蝶板 | 鑄鋼WCB | 鉻鉬鋼 | 鑄鋼WCB | lCrl8Ni9Ti | |
| 閥桿 | 2Crl3 | lCrl8N19Tl | 20r13 | ||
| 閥體密封副 | 堆焊合金鋼 | 堆焊硬質合金 | |||
| 助關彈簧 | lCrl8N19Ti | 耐熱合金 | 1Crl8Ni9Ti | ||
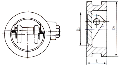
| 公稱通徑 DN(mm) |
L | D2 | D3 | 公稱通徑 DN(ram) |
L | D2 | D3 | ||
|---|---|---|---|---|---|---|---|---|---|
| LJH77X | LJH77H LJH77Y LJH77W |
LJH77X | LJH77H LJH77Y LJH77W |
||||||
| 50 | 43 | 100 | 43 | 46 | 400 | 140 | 485 | 376 | 390 |
| 80 | 64 | 1 05 | 7l | 80 | d50 | 152 | 545 | 427 | 427 |
| 100 | 64 | 155 | 91 5 | 94 | 500 | 152 | 608 | 479 | 490 |
| 125 | 70 | 185 | 115 | 118 | 600 | 178 | 718 | 579 | 588 |
| 150 | 76 | 210 | 14l | 145 | 700 | 229 | 800 | 675 | 686 |
| 200 | 89 | 265 | 191 | 200 | 800 | 241 | 905 | 774 | 784 |
| 250 | 114 | 320 | 230 | 250 | 900 | 241 | 1005 | 875 | - |
| 300 | 114 | 375 | 290 | 300 | 1000 | 300 | lll5 | 974 | - |
| 350 | 127 | 435 | 340 | 340 | 1200 | 360 | 1325 | 1165 | - |
溫馨提示:
本文中所有文字、數據、圖片均只適用于參考。需要查看更多的H77型對夾式止回閥性能參數、結構尺寸參數、價格等詳情,或要求印刷樣本,請聯系我們。
主營產品:氣動調節閥 - 電動調節閥 - 自力式調節閥
版版權所有 © 上海大田閥門管道工程有限公司
地址:上海市浦東新區川宏路528號宏圖大樓5樓
