H11T內螺紋鑄鐵止回閥指依靠介質本身流動而自動開、閉閥瓣,用來防止介質倒流的閥門,又稱逆止閥、單向閥、逆流閥、和背壓閥。止回閥屬于一種自動閥門,其主要作用是防止介質倒流、防止泵及驅動電動機反轉,以及容器介質的泄放。止回閥還可用于給其中的壓力可能升至超過系統壓的輔助系統提供補給的管路上。止回閥主要可分為旋啟式止回閥(依重心旋轉)與升降式止回閥(沿軸線移動)。H11T內螺紋鑄鐵止回閥安裝在水平管路上,能自動阻止流體倒流。

| 型號 | 公稱壓力 | 試驗壓力 | 工作溫度℃ | 適用介質 | |
|---|---|---|---|---|---|
| 強度(水)MPa | 密封(水)MPa | ||||
| H11T-16 | 1.6 | 2.4 | 1.8 | ≤200 | 蒸汽、水 |
| H11W-16 | 1.6 | 2.4 | 1.8 | ≤100 | 油 |
| 零件名稱 | 材料 | |
|---|---|---|
| H11T-16 | H11W-16 | |
| 閥體、閥蓋 | 灰鑄鐵 | 灰鑄鐵 |
| 密封圈 | 鋼銅 | 灰鑄鐵 |
| 墊片 | 石棉板 | 石棉板 |
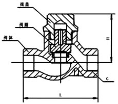
| 型號 | 公稱通徑 DN(mm) |
尺寸(mm) | 重量(kg) | ||||
|---|---|---|---|---|---|---|---|
| L | I | H | S | S0 | |||
| H11T-16 H11W-16 |
15 | 90 | 13 | 55 | 30 | 27 | 0.6 |
| 20 | 100 | 16 | 57 | 36 | 30 | 0.8 | |
| 25 | 120 | 18 | 63 | 46 | 32 | 1.3 | |
| 32 | 140 | 18 | 73 | 55 | 36 | 1.8 | |
| 40 | 170 | 22 | 83 | 92 | 42 | 2.8 | |
| 50 | 200 | 24 | 90 | 75 | 42 | 3.8 | |
溫馨提示:
本文中所有文字、數據、圖片均只適用于參考。需要查看更多的H11T 內螺紋鑄鐵止回閥性能參數、結構尺寸參數、價格等詳情,或要求印刷樣本,請聯系我們。
主營產品:氣動調節閥 - 電動調節閥 - 自力式調節閥
版版權所有 © 上海大田閥門管道工程有限公司
地址:上海市浦東新區川宏路528號宏圖大樓5樓
